Obliczenie sił wewnętrznych w ramie swobodnie podpartej
Obliczenie sił wewnętrznych w ramie swobodnie podpartej statycznie wyznaczalnej oraz geometrycznie niezmiennej. Obliczenie ramy z warunków równowagi.
Obliczenie sił wewnętrznych w ramie swobodnie podpartej statycznie wyznaczalnej oraz geometrycznie niezmiennej. Obliczenie ramy z warunków równowagi.
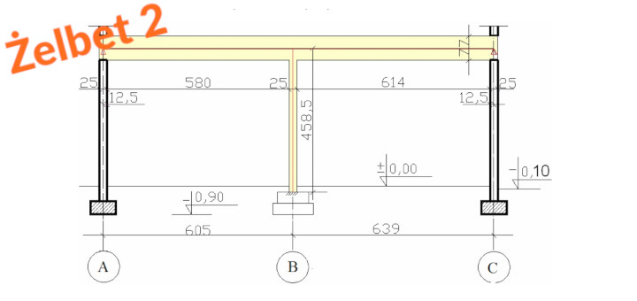
Poprzednie etapy przygotowania do wymiarowania ramy żelbetowej dostarczyły odpowiednią ilość danych do wykonania obliczeń statycznych. Statyka ramy żelbetowej pokaże na jakiś siły wewnętrzne należy zaprojektować rygiel i słup. Model obliczeniowy Model obliczeniowy ramy żelbetowej uwzględnia teoretyczne...
Wstępne przyjęcie wymiarów ramy żelbetowej na podstawie maksymalnego momentu zginającego. Wstępne wymiary rygla i słupa pomogą nam w dalszych obliczeniach statycznych i wymiarowaniu zbrojenia. Wymiary rygla i słupa Przed przystąpieniem do wymiarowania zbrojenia poszczególnych elementów ramy...