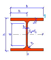
Przekrój belki – HEB100

Przekrój belki – HEB100

mgr inż. Piotr Buzała

Absolwent Uniwersytetu Zielonogórskiego wydziału Budownictwa, Architektury i Inżynierii Środowiska. Od 2017 roku czynny zawodowo w branży drogownictwa w europejskim koncernie na terenie Niemiec, od 2022 roku na stanowisku kierownika budowy.

Dodaj komentarz

Twój adres e-mail nie zostanie opublikowany. Wymagane pola są oznaczone *